Чтобы запросить цену ниже, укажите номер телефона и e-mail.
Все остальные данные Вы сможете сообщить менеджеру.
Производитель
Тип устройства

Контрольный пульт Болид С2000М для управления охранно-пожарными системами сигнализации. Устройство функционирует как в автоматическом, так в автономном режимах.
Прибор оснащен двумя портами RS-232 и RS-485, звуковой и световой индикацией состояния работы, автоуправлением противодымной защитой и инженерным оборудованием.
Пульт С2000М оснащен функцией записи событий с подконтрольных устройств, их последующего просмотра на собственном экране и печати на принтерах с интерфейсом RS-232. Общее количество подключаемых устройств к линии RS-485 – не более 127-ми приборов.
Уровни ИСО "Орион":

Монтаж С2000М
Настоящая инструкция по монтажу содержит указания, позволяющие выполнить основные действия по установке и подготовке пульта «С2000М» к работе.
Описание пульта, правила его настройки и эксплуатации смотрите в Руководстве по эксплуатации (bolid.ru, раздел «Продукция», или на диске, входящем в комплект поставки).
МЕРЫ ПРЕДОСТОРОЖНОСТИ
- Пульт не имеет цепей, находящихся под опасным напряжением.
- Конструкция пульта удовлетворяет требованиям электро- и пожарной безопасности по ГОСТ 12.2.007.0-75 и ГОСТ 12.1.004-91.
- Конструкция пульта обеспечивает его пожарную безопасность в аварийном режиме работы и при нарушении правил эксплуатации согласно ГОСТ 12.1.004-91.
- Монтаж, установку и техническое обслуживание производить при отключенном напряжении питания пульта.
- Монтаж и техническое обслуживание пульта должны производиться лицами, имеющими квалификационную группу по электробезопасности не ниже второй.
МОНТАЖ ПУЛЬТА
Пульт устанавливается в охраняемых помещениях в удобном для использования месте, где он защищен от атмосферных осадков и механических повреждений. Как правило, пульт устанавливается на стенах или других вертикальных поверхностях на высоте 1,4 – 1,5 м от пола. Не рекомендуется устанавливать пульт в местах, где он будет подвергаться прямому воздействию солнечных лучей. Конструкция пульта не предусматривает его использование в условиях воздействия агрессивных сред, пыли, а также во взрывопожароопасных помещениях.
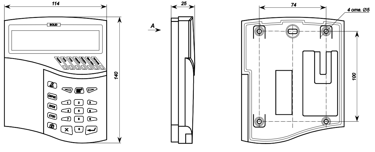
На рисунке 1 представлен внешний вид, габаритные и установочные размеры пульта. Монтаж соединительных линий производится в соответствии с рисунком 3.
Рисунок 1. Габаритные и установочные размеры пульта
ПОРЯДОК КРЕПЛЕНИЯ ПУЛЬТА
Крепление на стену
Убедитесь, что стена, на которую устанавливается пульт, прочная, ровная, чистая и сухая.
Приложите к стене шаблон для монтажа (рисунок 13). Просверлите три отверстия (два верхних и одно нижнее на выбор).
Снимите основание пульта в последовательности, показанной на рисунке 2. Для этого нажмите на зажимы основания в точках, указанных стрелками 1 и 2, и выведите зажимы из зацепления с корпусом.
Установите в отверстия дюбеля и закрепите основание пульта шурупами.
Рисунок 2. Демонтаж основания пульта
ПОДКЛЮЧЕНИЕ ПУЛЬТА
Назначение контактов пульта приведено в таблице 1. Монтаж выполнять кабелем с сечением жил не менее 0,2 мм2 и не более 1,5 мм2.
Таблица 1. Описание контактов пульта
Рисунок 3. Внешние соединения пульта
Подключение линий интерфейса RS-485
Для линии RS-485 рекомендуется использовать кабель типа «витая пара». Для линий RS-485 длиной более 100 м использование витой пары обязательно.
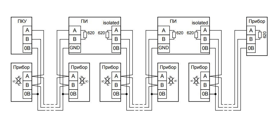
Рекомендуемая топология линии RS-485 – «шина» (см. рисунок 4). При необходимости допустимо делать небольшие (не более 50 м) ответвления от основной магистрали RS-485. Ответвления лучами большой длины нужно делать с помощью преобразователей-повторителей «С2000-ПИ» (см. рисунок 6).
Длина линии RS-485 – не более 3000 м при использовании кабеля с сечением жил 0,5 мм2 . При использовании кабеля с сечением жил 0,2 мм2 рекомендуемая длина линии RS-485 – не более 1200 м. Длину линии RS-485 можно увеличить с помощью преобразователей-повторителей «С2000-ПИ», как показано на рисунке 5.
Для подключения пульта к интерфейсу RS-485 присоедините линии А и В интерфейса RS-485 к контактам «А» и «В» клеммной колодки соответственно.
Если пульт или другие приборы ИСО «Орион», подключенные к интерфейсу RS-485, питаются от разных источников, объедините их цепи «0 В» (см. рисунок 4). В качестве провода, объединяющего цепи «0 В», рекомендуется использовать свободный провод или пару в кабеле RS-485. Допускается использовать для объединения «0 В» незаземленный экран кабеля (при его наличии).
Рисунок 4. Схема подключения приборов к интерфейсу RS-485
Прибор – прибор ИСО «Орион», подключаемый к пульту «С2000М» по линии RS-485 (до127 шт.) или пульт «С2000М» (1 шт.);
- 1 – сигнальная линия RS-485 (витая пара);
- 2 – провод выравнивания потенциалов;
- 3 – экран (если используется экранированный кабель).
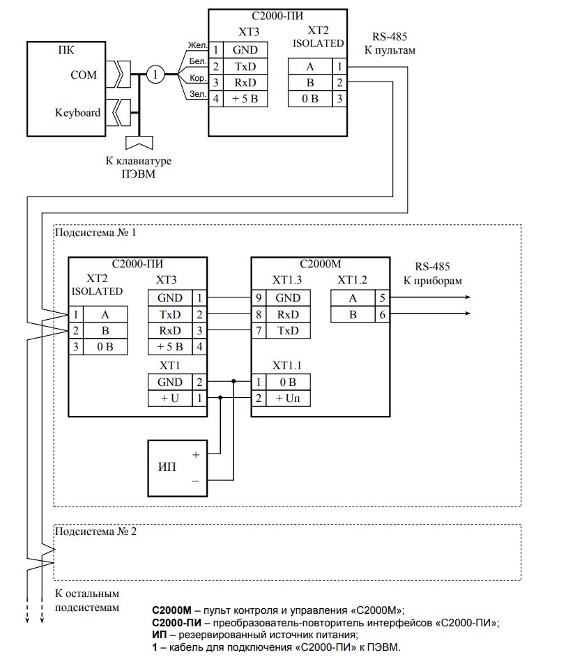
Рисунок 5. Увеличение длины линии RS-485 с помощью повторителей интерфейса
- ПКУ – пульт «С2000М»;
- Прибор –прибор системы «Орион»;
- ПИ – повторитель интерфейса RS-485 с гальванической развязкой («С2000-ПИ»);
Рисунок 6. Построение сети RS-485 c топологией «звезда» при помощи повторителей
- ПКУ – пульт «С2000М»;
- Прибор –прибор системы «Орион»;
- ПИ – повторитель интерфейса RS-485 с гальванической развязкой («С2000-ПИ»);
Подключение линий интерфейса RS-232
Схемы подключения различных устройств к интерфейсу RS-232 пульта приведены на рисунках 7 - 11.
Рисунок 7. Схема подключения принтера к пульту, где 1 – это кабель подключения принтера к пульту «С2000» АЦДР. 685611.015
Рисунок 8. Схема подключения нескольких пультов «С2000М» к персональному компьютеру с АРМ «Орион Про»
Рисунок 9. Схема подключения радиопередатчика ATS100 к пульту
- ATS100 – радиопередатчик ATS100;
- С2000М – пульт «С2000М»;
- RS232 – TTL – преобразователь RS232-TTL;
- ИП – резервированный источник питания 12 В.
Рисунок 10. Схема подключения к пульту радиопередатчика TRX-150 для передачи сообщений в радиосистему «Орион-радио»
- TRX-150 – радиопередатчик TRX-150 или TRX-450;
- RS232-TTL – преобразователь RS232-TTL;
- 1 – кабель АЦДР.685611.229 подключения RS232-TTL к передатчику TRX-150;
- ИП – резервированный источник питания 12 В.
Рисунок 11. Схема подключения к пульту радиопередатчика TRX-150 для передачи сообщений в формате Contact ID
- TRX-150 – радиопередатчик TRX-150 или TRX-450;
- RS232-TTL – преобразователь RS232-TTL;
- 1 – кабель АЦДР.685611.229 подключения RS232-TTL к передатчику TRX-150;
- ИП – резервированный источник питания 12 В.
Подключение источника питания
Подключите основной источник питания к клеммам «0 В» и «+U1», резервный – к «0 В» и «+U2». При подключении источника питания соблюдайте полярность. Рекомендуется использовать резервированные источники питания серий РИП-12 или РИП-24 производства компании «Болид». Установите пульт на закрепленное основание.
ПРОВЕРКА ПУЛЬТА
Проверку пульта проводит эксплуатационно-технический персонал, имеющий квалификационную группу по электробезопасности не ниже второй.
Проверка проводится при нормальных климатических условиях по ГОСТ 15150-69:
- относительная влажность воздуха – (45 – 80)%;
- температура окружающего воздуха – (25 ± 10) °С;
- атмосферное давление – (630 – 800) мм рт. ст., (84 – 106,7) кПа.
Подключение и отключение внешних цепей при проверках производится при отключенном питании пульта.
Проверка основных параметров
Проверка проводится по схеме, приведённой на рисунке 12. Общее время проверки технического состояния одного пульта - не более 20 мин. Предварительная проверка проводится в следующей последовательности:
- проверьте состояние упаковки и распакуйте пульт;
- проверьте комплект поставки в соответствии с руководством по эксплуатации АЦДР.426469.027 РЭ;
- убедитесь в отсутствии механических повреждений пульта;
- осмотром пульта и его встряхиванием убедитесь в отсутствии внутри корпуса посторонних предметов;
- проверьте крепление клеммных колодок;
- проверьте соответствие номера пульта и даты выпуска на корпусе пульта указанным в паспорте АЦДР.426469.027 ПС.
Перед подключением пульта осмотрите его плату на предмет наличия межпроводниковых замыканий, обрывов дорожек и прочих механических дефектов.
Установите выходное напряжение блока питания A1 равным (10,2±0,3) В.
Соберите схему проверки согласно рисунку 12.
Включите питание пульта. Должна включиться подсветка индикатора. На индикатор должно быть выведено сообщение «ВКЛЮЧЕНИЕ ПУЛЬТА». В течение нескольких секунд пульт должен обнаружить подключённый прибор. При этом на жидкокристаллическом индикаторе будут отображены сообщения об обнаружении прибора и сбросе прибора, возможно сообщение об аварии питания. Если в пульте включён режим с индикацией тревог, он будет отображать на индикаторе сообщение о сбросе прибора, светодиодный индикатор будет мигать, звуковой сигнализатор будет выдавать звуковой сигнал «Нарушение» (прерывистый звуковой сигнал с большой частотой).
Включите питание принтера. Принтер должен распечатать события, последними из которых будут сообщения о включении пульта, включении принтера и об обнаружении прибора. Нажмите любую кнопку пульта. Должна включиться подсветка http://bolid.ru/ «С2000М» АЦДР.426469.027 ИМ Изм.1 АЦДР. 5762-15 от 07.10.2015 9 клавиатуры (заметно при слабом освещении). Измерьте ток потребления пульта по амперметру РА1. Измеренное значение должно быть не более 110 мА. Нажмите каждую клавишу пульта. При нажатии клавиш пульт должен выдавать короткий звуковой сигнал.
Выключите приборы. Установите выходное напряжение блока питания А1 равным (28,4±0,6) В. Повторите проверку. Измеренное значение тока потребления не должно превышать 45 мА.
Отключите источник питания А1 от первого ввода питания (+U1) и подключите его ко второму вводу (+U2). Повторите проверку.
Рисунок 12. Схема подключения пульта при проверке
- А1 – блок питания 12 В, 0,2 А (Б5-70);
- А2 – прибор «Сигнал-20» («Сигнал-20П», «С2000-4»);
- А3 – блок питания 12 В, 1 А («РИП-12»);
- А4 – принтер «Epson LX-300+» или ПК с программой PKUEventReader;
- А5 – пульт «С2000М»;
- 1 - кабель АЦДР.685611.015 для подключения принтера к пульту «С2000»;
- R1, R2 - резисторы 220 Ом, 0,125 Вт. Предназначены для внесения затухания сигнала в линии связи между пультом и прибором;
- PV1 – прибор комбинированный Ц4355;
- PА1 – прибор комбинированный Ц4355.
ПОДГОТОВКА К РАБОТЕ
Перед использованием пульта нужно выполнить следующие настройки:
- задать режим работы пульта по интерфейсу RS-232, соответствующий подключенному к этому интерфейсу устройству;
- запрограммировать программой PProg конфигурацию системы охраны;
- установить время и дату.
Эти и другие настройки пульта выполняются согласно «Руководству по эксплуатации» АЦДР.426469.027 РЭ.
Купить Болид С2000М в интернет-магазине СЕК-ГРУПП в Москве: Черницынский проезд, д.3, стр.1 (метро Щелковская). Доставка по России.

Количество приборов и устройств ИСО «Орион», подключаемых к линии RS-485, не более
Интерфейс RS-485
Длина линии связи RS-485, не более
Интерфейс RS-232
Количество устройств, подключаемых к выходу RS-232
(компьютер с АРМ, принтер, радиопередатчик ATS100 или TRX-150 (через преобразователь) или радиопередатчик RS-202TD)
Длина линии связи RS-232, не более
Количество шлейфов сигнализации и адресных извещателей, группируемых в разделы, не более
Количество управляемых в автоматическом режиме релейных выходов, не более
Количество разделов, не более
Количество групп разделов, не более
Количество пользовательских паролей, не более
Объем журнала событий
Жидкокристаллический индикатор
Питание
Напряжение питания
при напряжении питания 12 В
при напряжении питания 24 В
при напряжении питания 12 В
при напряжении питания 24 В
Температура эксплуатации
Класс защиты оболочки
Вес
Размеры
Тип подключения к прибору
Способ монтажа
До ТК (СДЭК, ПЭК, Деловые Линии) - 0 Р
Остальные транспортные компании - 1000 Р
Заказы от 60 000 Р (по ценам сайта) - 0 Р
В пределах МКАД заказы стоимость > 5 000 руб. и < 2 кг - 750 руб., > 2 кг составляет 1000 руб.
Негабарит МКАД - 1300 Р (более 5 метров - 2000 Р)
За МКАД - 1000 Р + 90Р/км
Негабарит за МКАД - 1300Р + 110Р/км (более 5 метров - 2000 Р + 110Р/км)
г. Москва, Черницынский пр-д, д. 3 стр. 1. метро Щелковская
г. Уфа, ул. Трамвайная, д. 2 оф. 1-02
Мы правильно определили ваш город?
Оплата осуществляется путем банковского перевода денежных средств с расчетного счета покупателя на наш расчетный счет.
Счет выставляется по запросу в печатном или электронном виде. Счет действителен в течении 3-х банковских дней за исключением оборудования производства компании PERCo.
Оплата наличными производится в офисах компании при получении товара со склада по адресам:
- г. Москва, Черницынский проезд, д.3, стр.3
- г. Уфа, Трамвайная улица, д.2, офис 1-02
Стоимость заказа передаётся водителю компании при получении товара.























