Чтобы запросить цену ниже, укажите номер телефона и e-mail.
Все остальные данные Вы сможете сообщить менеджеру.
Производитель
Интерфейс связи со считывателями
Тип устройства
Питание
Материал корпуса
Встроенный считыватель
Назначение устройства
Выходной интерфейс
Контроллер управления доступом PERCo-SC-820 с возможностью подключения охранных датчиков, светового табло. PERCo-SC-820 – контроллер нового поколения, имеющий возможность подключения к сети Ethernet. Связь контроллера с компьютером осуществляется через Web-интерфейс контроллера. Это позволяет теперь обойтись без контроллера конфигурации, необходимого ранее в системе PERCo-S-800, и без программного обеспечения PERCo-SP-800.
Контроллер SC-820 обеспечивает:
- поддержку стека протоколов TCP/IP,
- связь с компьютером по интерфейсу Ethernet (IEEE 802.3) через Web-интерфейс,
- возможность обновления встроенного ПО контроллера через Web-интерфейс.
Контроллер управления доступом PERCo-SC-820 обеспечивает доступ клиента в зону самообслуживания банкомата, слежение за датчиком движения, управление замком, информационным табло, сигнализатором тревоги.
Контроллер работает со считывателями производства PERCo RMC01 и Promix-RR.MC.02, имеющими вандалозащищенное исполнение, а также с любым считывателем, поддерживающим интерфейс Clock&Data TTL уровня.
Считыватель PERCo-RMC01 позволяет считывать идентификационную информацию со второй дорожки магнитной полосы банковской карты и определять наличие на карте микропроцессора стандарта ISO7816 класса А и В.
Считыватель Promix-RR.MC.02 позволяет считывать идентификационную информацию со второй дорожки магнитной полосы банковской карты.
Мастер-карта позволяет сбросить состояние «тревога» контроллера управления доступом или попасть в зону самообслуживания банкомата при нахождении в ней клиента.
Контроллер PERCo-SC-820 имеет возможность подключения к сети Ethernet. Связь контроллера с компьютером осуществляется через Web-интерфейс контроллера. Это позволяет обойтись без контроллера конфигурации.

Назначение
Контроллер PERCo-SC-820 (далее – контроллер) предназначен для организации контроля доступа к банкомату.
С целью ограничения доступа банкомат устанавливается в закрытую кабину (помещение).
Дверь кабины снабжается замком электромагнитного или электромеханического типа. У входа в кабину устанавливается считыватель банковских карт. Внутри кабины устанавливается датчик нахождения клиента в кабине банкомата (датчик движения). При необходимости устанавливаются сигнализатор тревоги и табло «Свободно / Занято».
Доступ клиента в кабину банкомата осуществляется по банковской карте при помощи считывателя. Считыватель передает в контроллер информацию о банковской карте, при этом никакая защищенная банковская информация (данные о владельце карты, номере счета и т.д.) с банковской карты не считывается. Контроллер обеспечивает управление замком двери в кабину банкомата, слежение за датчиком движения, управление информационным табло и сигнализатором тревоги. Контроллер позволяет установить до 10 шаблонов номеров карт для различных платежных систем и отслеживать срок действия карт.
Условия эксплуатации
Контроллер по устойчивости к воздействию климатических факторов соответствует условиям УХЛ4 по ГОСТ 15150-69 (для эксплуатации в помещениях с искусственно регулируемыми климатическими условиями). Условия эксплуатации – при температуре окружающего воздуха от +1° С до +40° С и относительной влажности воздуха до 80% при +25° С.
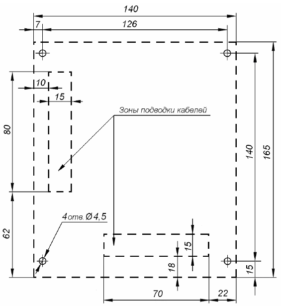
Монтаж

Вас может заинтересовать контроллер PERCo-CT/L14.
Купить PERCo-SC-820 в интернет-магазине СЕК-ГРУПП в Москве: Черницынский проезд, д.3, стр.1 (метро Щелковская). Доставка по России.

Номинальное значение напряжения питания постоянного тока
Ток потребления
Потребляемая мощность
Количество релейных выходов
Количество входов
Количество подключаемых считывающих устройств
Количество подключаемых замков электромагнитного или электромеханического типа
Интерфейс считывающего устройства
Стандарт интерфейса связи
Скорости передачи данных Ethernet
Длина кода платежной системы
Количество вариантов платежных систем
Габаритные размеры
Масса
До ТК (СДЭК, ПЭК, Деловые Линии) - 0 Р
Остальные транспортные компании - 1000 Р
Заказы от 60 000 Р (по ценам сайта) - 0 Р
В пределах МКАД заказы стоимость > 5 000 руб. и < 2 кг - 750 руб., > 2 кг составляет 1000 руб.
Негабарит МКАД - 1300 Р (более 5 метров - 2000 Р)
За МКАД - 1000 Р + 90Р/км
Негабарит за МКАД - 1300Р + 110Р/км (более 5 метров - 2000 Р + 110Р/км)
г. Москва, Черницынский пр-д, д. 3 стр. 1. метро Щелковская
г. Уфа, ул. Трамвайная, д. 2 оф. 1-02
Мы правильно определили ваш город?
Оплата осуществляется путем банковского перевода денежных средств с расчетного счета покупателя на наш расчетный счет.
Счет выставляется по запросу в печатном или электронном виде. Счет действителен в течении 3-х банковских дней за исключением оборудования производства компании PERCo.
Оплата наличными производится в офисах компании при получении товара со склада по адресам:
- г. Москва, Черницынский проезд, д.3, стр.3
- г. Уфа, Трамвайная улица, д.2, офис 1-02
Стоимость заказа передаётся водителю компании при получении товара.










